Neon lamp with dimmer function.
This article describes a decorative lamp I made, which uses dimmable neon lamps.

The lantern style enclosure originally contained a E14 lamp holder with a
flicker flame lamp.
But these flicker flame lamps, especially the ones for high line voltages (as
230 volt we have here), have a short lifetime.
The current limiting resistor hidden in the lamp fitting is heavily overloaded,
and soon burns out, which means the end of life for the lamp.
And by the way, I do not very much like the effect these lamps give.
But I like the enclosure, and decided to build something nicer in it, which also
has a long lifetime.
The new design contains five dimmable neon lamps mounted in a orange Plexiglas
star.
The neon lamps give a really nice orange glow.
Neon lamps, also referred to as "neon glow lamps, are widely used as light source in illuminated mains voltage
switches.
They are available in two category's:
- "Standard brightness" types run at about 0.5 mA or below.
They have a relative low light output, but they can be easily dimmed.
In this design, I use these standard brightness neon lamps, the light output is
just right in this application at maximum setting.
- "High brightness" neon lamps are designed for higher current, for instance 1.8
mA.
They also have a 3 times higher light output per mA compared to standard
brightness types.
Therefore the light output can easily be 10 times higher then the standard
brightness neon lamp.
But the light of the high brightness neon lamp becomes erratic when you reduce
the current to much, and so it is less suitable for dimming.
Very much technical information about neon lamps can be found in the following
book:
GE-Glow-lamp-manual-Theory-Circuits-Ratings-2nd-Edition-1965-118-pages.pdf .

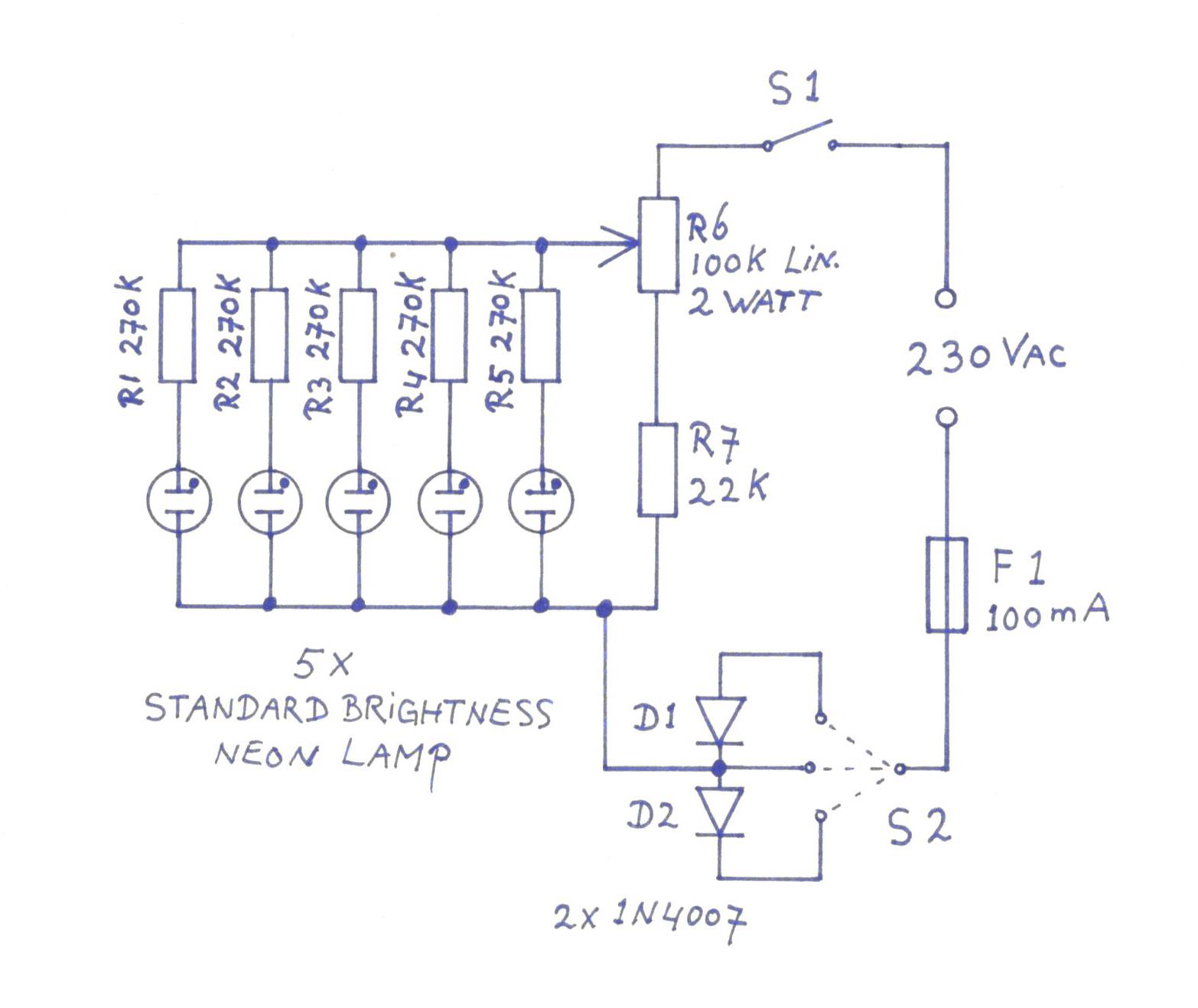
Circuit diagram of the dimmable lamp.
By means of potentiometer R6, the lamp can be dimmed.
For R6 part number 93R1A-R22-A20L from manufacturer Bourns is used, which is a
100 kΩ linear 2 Watt potentiometer in a
plastic housing.
Al other resistors are 0.25 Watt types.
The maximum current through each neon lamp is about 0.48 mA (at 240 V line
voltage).
Fuse F1 is added for extra safety, it is a 100 mA fuse, but the current
consumption of the whole lamp stays below 5 mA.
With the 3 position switch (S2) you can select which electrodes of the neon
lamps are lit, one or the
other, or both.
After a few times playing with this switch, it soon became boring, and it is
left in the "both electrodes" position.
![]() One electrode is lit. |
![]() Both electrodes are lit |
![]() The other electrode is lit. |
Video of the dimmer function.
Here you can see, the five lamps starts to work at different voltages.
The first lamp to lit starts at 50 Vac across it.
The last lamp needs 59 Vac to lit.
In the video the light output seems to vary slightly at a high frequency, in
real you don't see this, the light output is very stable.
The effect is caused by the frame frequency of the camera (30 frames / sec.) is
interfering with the 50 Hz line voltage frequency.

The inside of the lamp.

The control knobs of the lamp, on the left side the 3 position switch, on the
right side the potentiometer for the dimmer function.

Detail of the backside of the star.
The star is mounted with a M3 screw and a Nylon standoff.
Over the standoff a piece of 6.4 mm Teflon heat shrink tube is shifted, which
fits tightly over the standoff, and prevents the Nylon from melting during
soldering.
Two strips of adhesive copper tape are wound around the heat shrink tube, on
which the components can be soldered.
On the backside of the Plexiglas star a 45 degrees edge is made, which reflects
the internal light in the star to the front.
This makes the edge of the star much better visible when you view it from the
front, and gives a nice effect.
The "dark effect"
In this video, the dimmer is set to a very low level, only one electrode of one
lamp is lit.
In darkness, the light of the neon lamp becomes erratic, is goes on and off.
But when some external light is shining on the neon lamp, it gives a steady
light output.
This is a well known phenomenon for neon lamps running at very low current, and
is called the "dark effect".
Back to the index